Page 28 - Demo
P. 28
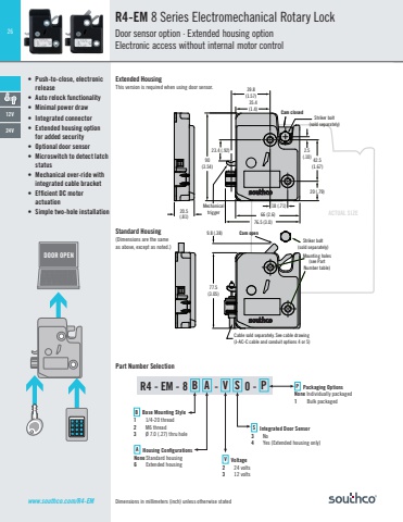
26Dimensions in millimeters (inch) unless otherwise statedACTUAL SIZE• Push-to-close, electronic release• Auto relock functionality• Minimal power draw• Integrated connector• Extended housing option for added security• Optional door sensor• Microswitch to detect latch status• Mechanical over-ride with integrated cable bracket• Effi cient DC motor actuation• Simple two-hole installationR4-EM 8 Series Electromechanical Rotary LockDoor sensor option · Extended housing optionElectronic access without internal motor controlDOOR OPEN1 2 34 5 67 8 9 0 #1 2 34 5 67 8 9Ø 0 #OPEN LATCH39.8(1.57)2.5(.10)20 (.79)Cam closedCam openThis version is required whenusing door sensor.42.5(1.67)18 (.71)66 (2.6)76.5 (3.0)20.5(.81)9.8 (.38)23.4 (.92)77.5(3.05)35.4(1.4)90(3.54)Exposed CamStriker bolt(sold separately)Striker bolt(sold separately)Mounting holes(see PartNumber table)Concealed CamCable sold separately. See cable drawing (J-AC-C cable and conduit options 4 or 5)MechanicaltriggerP Packaging OptionsNone Individually packaged1 Bulk packagedS Integrated Door Sensor3 No4 Yes (Extended housing only)B Base Mounting Style1 1/4-20 thread2 M6 thread3 Ø 7.0 (.27) thru holeA Housing Confi gurationsNone Standard housing6 Extended housingV Voltage2 24 volts3 12 voltsPart Number SelectionExtended HousingThis version is required when using door sensor.Standard Housing(Dimensions are the sameas above, except as noted.)R4 - EM - 8 B A - V S 0 - P12V24Vwww.southco.com/R4-EM

